WattleFoxxo's 4k ultrahd autismo website!!1!!111!

Website Github Youtube Address

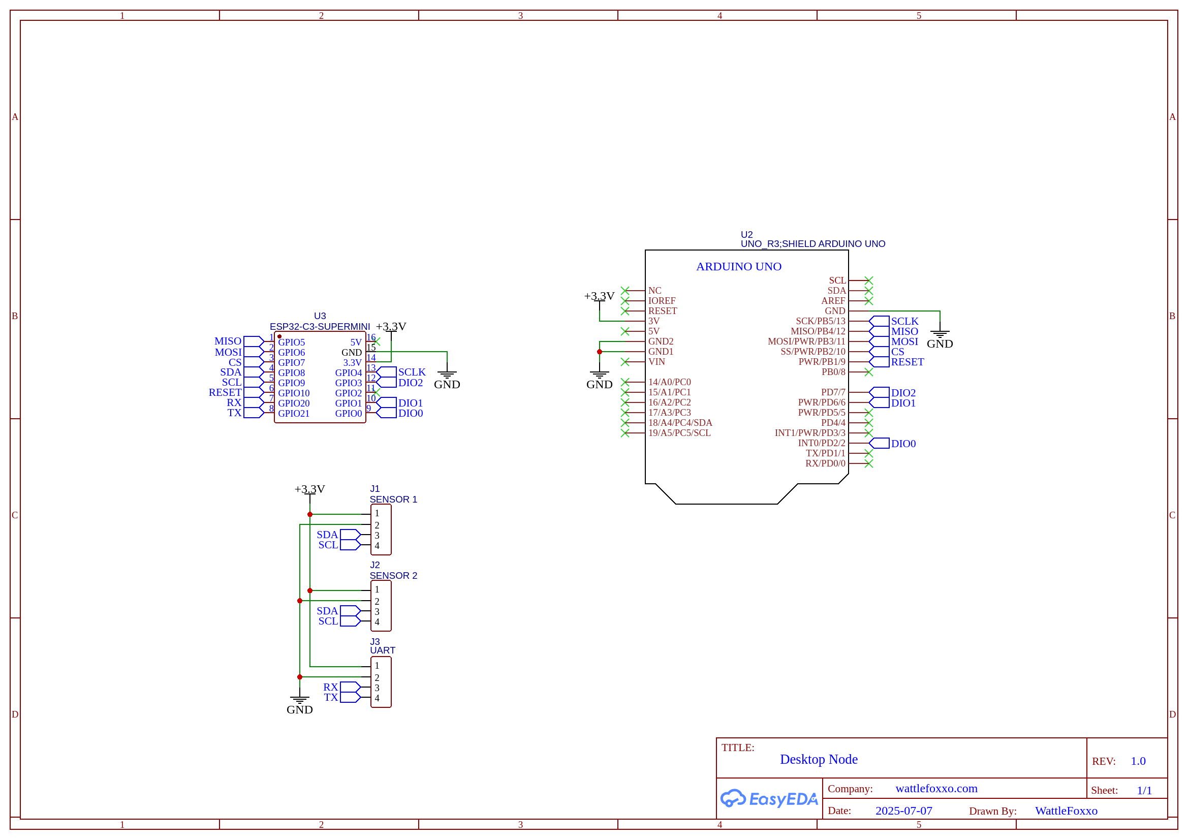
The Desktop Node

aka the: "Jaycar spec lora adapter", "Miso Mosi PCB" or "That one pcb with the bird on it".


this pcb is desinged to adapt the old jaycar XC4392/dragino lora shields to an esp32 c3 super mini to be used with MeshCore

*at the time of writing this, this board is not offically supported so please dont annoy the meshcore maintaners if there are any issues!

All the files to make and use this PCB are provided below. This PCB is CC BY-NC 4.0 licensed.

Resources




EMAIL ME!!!: wattle@wattlefoxxo.com - THIS PAGE WAS LAST UPDATED: 28/10/2025 :) --- Complaints: devnull@wattlefoxxo.com